|
【升降式止回阀H41W-16P】-上海浦蝶阀门有限公司 产品型号:H41W 产品口径:DN15-300 产品压力:1.6-6.4Mpa 产品材质:铸钢、不锈钢等 1.概述:升降式止回阀H41W-16P用于公称压力PN1.6~6.4MPa,工作温度-29~550℃的石油、化工、火力电站等各种工况的管路上。适用介质为:水、油品、蒸汽等。
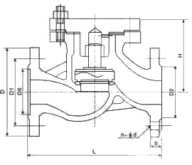
2.【升降式法兰止回阀】结构与特点
1、选材考究,符合国内、外相关标准,材料的全面质量高。 2、密封副配对合理,阀瓣、阀座密封面采用铁基合金或司太立(Stellite)钴基硬质合金堆焊面成,耐磨、耐高温、耐腐蚀、抗擦伤性能好,使用寿命长。 3、产品按国家标准GB/T12235设计制造。 4、可采用各种配管法兰标准及法兰密封型式,满足各种工程需要及用户要求。 5、阀体材料品种齐全,垫片可根据实际工况或用户要求合理选配,能适用于各种压力、温度及介质工况。 可按用户要求设计制造不同结构形式和连接形式的止回阀,为各种设备配套使用。 3.【升降式法兰止回阀】应用规范 设计与制造 | GB/T12235 | 连接端尺寸 | 结构长度 | GB/T12221 | 法兰尺寸 | JB/T79 | 检验与试验 | JB/T9092 | 材料 | 碳钢 | GB/T12229 | 不锈钢 | GB/T12230 | 合金钢 | Q/ZB66 | 标志 | GB/T12220 | 供货 | JB/T7928 |
4.【升降式法兰止回阀】主要零件材料及主要用途 阀体 | 阀盖 | 阀瓣 | 阀座 | 适用介质 | 适用温度 (≤℃) | WCB | WCB+D507Mo | WCB+D577 | 水、油品、蒸汽 | 425 | ZG1Cr18Ni9Ti | 0Cr18Ni9+ Stellite12 | 0Cr18Ni9+ Stellite6 | 销酸类 | 200 | ZG1Cr18Ni2Mo2Ti | CF8M+Stellite12 | ZG1Cr18Ni2Mo2Ti | 磷酸、醋酸类、混酸 | 200 | ZG00Cr17Ni14Mo2 | CF3M+Stellite12 | CF3M+Stellite6 | 尿素、甲铵液、磷酸 | 200 | ZG1Cr5Mo | ZG1Cr5Mo+ Stellite12 | ZG1Cr5Mo+ Stellite6 | 水、油品、蒸汽 | 550 |
5.【升降式法兰止回阀】主要外形尺寸和连接尺寸(mm) DN | L | D | Dl | D2 | b | Z一φd | H | WT(Kg) | H41H一16C H41Y一16C H41Y一16P H41Y一16R H41Y一161 | 15 | 130 | 95 | 65 | 45 | 14 | 4一φ14 | 77 | 3 | 20 | 150 | 105 | 75 | 55 | 14 | 4一φ14 | 77 | 4 | 25 | 160 | 115 | 85 | 65 | 14 | 4一φ14 | 80 | 5 | 32 | 180 | 135 | 100 | 78 | 16 | 4一φ18 | 85 | 7 | 40 | 200 | 145 | 110 | 85 | 16 | 4一φ18 | 95 | 9 | 50 | 230 | 160 | 125 | 100 | 16 | 4一φ18 | 105 | 10 | 65 | 290 | 180 | 145 | 120 | 18 | 4一φ18 | 120 | 20 | 80 | 310 | 195 | 160 | 135 | 20 | 8一φ18 | 130 | 30 | 100 | 350 | 215 | 180 | 155 | 20 | 8一φ18 | 140 | 39 | 125 | 400 | 245 | 210 | 185 | 22 | 8一φ18 | 155 | 50 | 150 | 480 | 280 | 240 | 210 | 24 | 8一φ23 | 180 | 70 | 200 | 600 | 335 | 295 | 265 | 26 | 12一φ23 | 211 | 231 | 250, | 730 | 405 | 355 | 320 | 30 | 12一φ25 | 260 | 25l | 300 | 850 | 460 | 410 | 375 | 34 | 12一φ25 | 323 | 395 | H41H一25 H41Y一25 H41Y一25P H41Y一25R H41Y一251 | 15 | 130 | 95 | 65 | 45 | 16 | 4一φ14 | 100 | 3.4 | 20 | 150 | 105 | 75 | 55 | 16 | 4一φ14 | 105 | 5 | 25 | 160 | 115 | 85 | 65 | 16 | 4一φ14 | 120 | 5.7 | 32 | 180 | 135 | 100 | 78 | 18 | 4一φ18 | 130 | 9.1 | 40 | 200 | 145 | 110 | 85 | 18 | 4一φ18 | 135 | 11.8 | 50 | 230 | 160 | 125 | 100 | 20 | 4一φ18 | 149 | 14.4 | 65 | 290 | 180 | 145 | 120 | 22 | 8一φ18 | 160 | 23 | 80 | 310 | 195 | 160 | 135 | 22 | 8一φ18 | 169 | 30 | 100 | 350 | 230 | 190 | 160 | 24 | 8一φ23 | 194 | 44 | 125 | 400 | 270 | 220 | 180 | 28 | 8一φ25 | 222 | 65 | 150 | 480 | 300 | 250 | 218 | 30 | 8一φ25 | 255 | 99 | 200 | 600 | 360 | 310 | 278 | 34 | 12一φ25 | 305 | 190 | 250 | 730 | 425 | 370 | 332 | 36 | 12一φ30 | 355 | 323 | 300 | 850 | 485 | 430 | 390 | 40 | 16一φ30 | 410 | 450 |
通径DN | L | D | D1 | D2 | D6 | b | Z一φd | H | WT(Kg) | H41H一40 H41Y一40 H41Y一40P H4lY一40R H41Y一401 | 15 | 130 | 95 | 65 | 45 | 40 | 16 | 4一φ14 | 100 | 4 | 20 | 150 | 105 | 75 | 55 | 51 | 16 | 4一φ14 | 105 | 5.5 | 25 | 160 | 115 | 85 | 65 | 58 | 16 | 4一φ14 | 120 | 6 | 32 | 180 | 135 | 100 | 78 | 66 | 18 | 4一φ18 | 130 | 12 | 40 | 200 | 145 | 110 | 85 | 76 | 18 | 4一φ18 | 135 | 14 | 50 | 230 | 160 | 125 | 100 | 88 | 20 | 4一φ18 | 149 | 18 | 65 | 290 | 180 | 145 | 120 | 110 | 22 | 8一φ18 | 160 | 27 | 80 | 310 | 195 | 160 | 135 | 121 | 22 | 8一φ18 | 169 | 36 | 100 | 350 | 230 | 190 | 160 | 150 | 24 | 8一φ23 | 194 | 50 | 125 | 400 | 270 | 220 | 188 | 176 | 28 | 8一φ25 | 225 | 75 | 120 | 480 | 300 | 250 | 218 | 204 | 30 | 8一φ25 | 255 | 119 | 200 | 600 | 375 | 320 | 282 | 260 | 38 | 12一φ30 | 305 | 217 | 250 | 730 | 445 | 385 | 345 | 313 | 42 | 12一φ34 | 360 | 365 | 300 | 850 | 510 | 450 | 408 | 364 | 46 | 12一φ34 | 415 | 310 | | 通径DN | L | D | D1 | D2 | D6 | b | Z一φd | H | WT(Kg) | | 15 | 210 | 105 | 75 | 55 | 40 | 18 | 4一φ14 | 100 | 7 | 20 | 230 | 125 | 90 | 68 | 51 | 20 | 4一φ18 | 110 | ll | 25 | 230 | 135 | 100 | 78 | 58 | 22 | 4一φ18 | 125 | 13 | 32 | 260 | 150 | 110 , , | 82 | , 66, | , 24 | 4一φ23 | 140 | 14 | 40 | 260 | 165 | 125 | 95 | 76 | 24 | 4一φ23 | 168 | 20 | 50 | 300 | 175 | 135 | 105 | 88 | 26 | 4一φ23 | 170 | 23 | 65 | 340 | 200 | 160 | 130 | 110 | 28 | 8一φ23 | 188 | 37 | 80 | 380 | 210 | 170 | 140 | 121 | 30 | 8一φ23 | 205 | 46 | 100 | 430 | 250 | 200 | 168 | 150 | 32 | 8一φ25 | 230 | 68 | 125 | 500 | 295 | 240 | 202 | 176 | 36 | 8一φ30 | 230 | 89 | 150 | 550 | 340 | 280 | 240 | 204 | 38 | 8一φ34 | 265 | 131 | 200 | 650 | 405 | 345 | 300 | 260 | 44 | 12一φ34 | 310 | 235 |
 
【升降式法兰止回阀】【价格】【参数】【供应信息】请来电详询 |